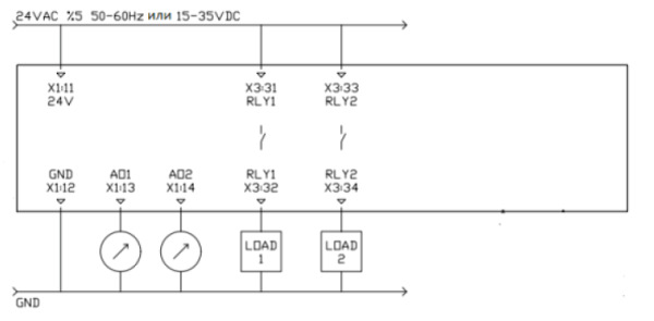
Датчики влажности и температуры канальные