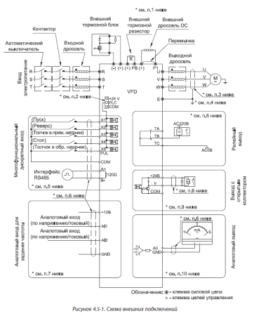
Возможность расширения функций, за счёт установки плат расширения:
PBC00001 - Внешний цифровой двухстрочный пульт
PBC00010 - Внешний цифровой однострочный пульт
PBC00002 - VF-101 опция ProfiBus
PBC00003 - VF-101 опция ProfiNet
PBC00004 - VF-101 опция расширения входов выходов
PBC00005 - VF-101 Энкодерная опция 5В
PBC00007 - VF-101 Резольверная опция
PBC00008 - VF-101 опция CAN
|
Семейство продуктов
|
VF |
|
Подсемейство продуктов
|
VF-101 U |
|
Габариты ДхВхГ, мм
|
360 x 940 x 480 |
|
Вес, кг
|
97 |
|
Степень защиты IP
|
20 |
|
Способ установки
|
навесной |
|
Материал корпуса
|
металл |
|
Температура окружающей среды
|
-10…+50 Цельсия |
|
Тип входного питания
|
3х400 VAC |
|
Дисплей
|
Сегментный led-дисплей с потенциометром и кнопками |
|
Колличество входов DI
|
5 |
|
Колличество входов AI
|
2 |
|
Колличество выходов DO
|
2 |
|
Колличество выходов AO
|
1 |
|
Сетевой порт CAN bus
|
1 шт. CANopen - опционально |
|
Сетевой порт COM
|
1 шт. Profibus - опционально |
|
Сетевой порт RS485
|
1 шт. (Modbus RTU Slave) |
|
Сетевой порт RJ45
|
1 шт. PROFINET или Modbus TCP - опционально; |
|
Выходное напряжение
|
3х380-400 VAC |
|
Выходная частота
|
0-299 Hz |
|
Номинальная мощность
|
185 кВт |
|
Номинальный выходной ток
|
340 А |
|
Перегрузочная способность
|
150% 89 сек. |
|
Класс ЭМС
|
Категория С3 |
Для покупки товара в нашем интернет-магазине выберите понравившийся товар и добавьте его в корзину. Далее перейдите в Корзину и нажмите на «Оформить заказ» или «Быстрый заказ».
Когда оформляете быстрый заказ, напишите ФИО, телефон, e-mail и ИНН компании. С Вами свяжется менеджер и уточнит детали заказа. По результатам заказа вам придет счет. После получения оплаты Вы получите подтверждение оформления товара на почту. Теперь останется только ждать доставки и радоваться новой покупке.
Оформление заказа в стандартном режиме выглядит следующим образом. Заполняете полностью форму по последовательным этапам: контактные данные, ИНН компании, адрес, способ доставки. Советуем в комментарии к заказу написать информацию, которую вы не нашли на сайте, но хотели бы узнать.
Мы работаем только с юридическими лицами «В2В». При оформлении заказа в корзине доступен только один вариант безналичной оплаты. Необходимо указать реквизиты компании и отправить нам Ваш запрос. Мы его обработаем, уточним стоимость, сроки доставки, оформим заказ и выставим счет.
Срок действия счета 3 рабочих дня. При поступлении денежных средств на наш счет, осуществляется подготовка заказа. Как только товар готов и упакован, мы уведомляем Вас о готовности к отгрузке. Если вы оформили заказ с доставкой, после его отправки транспортной компанией, мы передаем вам трек номер, для дальнейшего отслеживания.
Все необходимые для бухгалтерии документы (оригинал счёта на оплату, счёт-фактура, накладная) выдаются вместе с заказом при получении.
Мы подключены к системе ЭДО. Все документы могут быть оформлены, переданы и согласованны онлайн.
Все отгрузки осуществляются по 100% предоплате.
Наша компания предлагает несколько вариантов доставки:
- самовывоз из офиса;
- курьерская доставка (по г. Санкт-Петербург)
- доставка транспортной компанией (для других городов России).
Самовывоз из офиса
Вы можете забрать товар в нашем офисе. Когда заказ будет сформирован к отгрузке вы получите уведомление на электронную почту. Для получения заказа вам понадобится доверенность или печать компании. С графиком работы офиса и местом расположений вы можете ознакомиться в разделе "Контакты".
Курьерская доставка
При оформлении заказа вы можете заказать доставку товара с помощью курьерской службы, в пределах г. Санкт-Петербург. Когда заказ будет сформирован к отгрузке мы свяжемся с вами и предложим выбрать удобное время доставки. Уточним адрес.
Стоимость доставки рассчитывается по тарифам курьерской службы и включается в счет на этапе заказа.
Риск случайной утраты или повреждения изделия переходит к покупателю с момента передачи товара в транспортную компанию.
Доставка транспортной компанией
Для согласования отправки товара через транспортную компанию покупатель предоставляет письмо-запрос на отгрузку через выбранную транспортную компанию. Изменение адреса доставки в день доставки невозможно.При приёмке товара необходимо удостовериться в том, что упаковка и печати не нарушены. Если упаковка нарушена, составляется акт о нарушении упаковки и комплектности. Акт обязан подписать экспедитор.
Риск случайной утраты или повреждения изделия переходит к покупателю с момента передачи товара в транспортную компанию.
О доставке в страны СНГ уточняйте у менеджеров магазина.
Частотные преобразователи Veda: Максимальная экономия и надежное управление двигателем! Плавный пуск, точное регулирование скорости и момента, снижение энергопотребления до 60%. Идеальное решение для насосов, вентиляторов, конвейеров и промышленных механизмов. Адаптированы к российским сетям, простая интеграция. Выберите Veda для эффективности и долговечности вашего оборудования!
